相關推薦
產品介紹
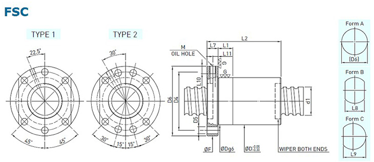
上銀絲桿,上銀滾珠絲桿的特性:
滾珠絲杠由螺桿、螺母、鋼球、預壓片、反向器、防塵器組成。它的功能是將旋轉運動轉化成直線運動,這是艾克姆螺桿的進一步延伸和發展,這項發展的重要意義就是將軸承從滾動動作變成滑動動作。由于具有很小的摩擦阻力,滾珠絲杠被廣泛應用于各種工業設備和精密儀器。
滾珠絲杠是工具機和精密機械上最常使用的傳動元件,其主要功能是將旋轉運動轉換成線性運動,或將扭矩轉換成軸向反復作用力,同時兼具高精度、可逆性和高效率的特點。
滾珠絲杠主要參數為:公稱直徑與導程。
滾珠絲杠軸承為適應各種用途,提供了標準化種類繁多的產品。廣泛應用于機床,滾珠的循環方式有循環導管式、循環器式、端蓋式。預壓方式有定位預壓(雙螺母方式、位預壓方式)、定壓預壓。可根據用途選擇適當類型。絲桿有高精度研磨加工的精密滾珠絲杠(精度分為從CO-C7的6個等級)和經高精度冷軋加工成型的冷軋滾珠絲杠軸承(精度分為從C7-C10的3個等級)。另外,為應付用戶急需交貨的情況,還有已對軸端部進行了加工的成品,可自由對軸端部進行追加工的半成品及冷軋滾珠絲杠軸承。作為此軸承的周邊零部件,在使用所必要的絲杠支撐單元、螺母支座、鎖緊螺母等也已被標準化了,可供用戶選擇使用。
特征
高效率及可逆性、零背隙及高剛性、高導程精度壽命可預測、低起動扭矩及順暢度、靜音短交期優于氣液壓致動器的優點
應用
CNC機械: CNC加工中心、CNC車床、CNC銑床、CNC放電加工機、CNC磨床、CNC線切割機、CNC鉆孔機、專用機…等等
精密工具機: 銑床、磨床、放電加工機、刀具磨床、齒輪加工機、鉆床、刨床
電子機械: 量測儀器、x-y平臺、醫學設備、工廠自動化設備、PCB鉆孔機、IC封裝機、半導體設備、工廠自動化設備…等
輸送機械: Robort Stage、材料搬送設備、核能反應器,高度致動器…等
航太工業: 飛機襟翼、機場負載設備
其它: 如天線使用的致動器、閥門開關裝置…等
瀘州上銀滾珠絲桿,上銀FSC滾珠絲桿,凡一商城所經營產品均為進口原裝,假一賠十!凡一商城代理及銷售品牌有國內的TR絲桿、臺灣的銀泰絲桿、上銀絲桿、TBI絲桿、PVP絲桿;進口SKF絲桿、LSK絲桿、CPC絲桿、ABBA絲桿、NSK絲桿、THK絲桿等。長度有兩個概念,一個是全長,另一個是螺紋長度。有些廠家只計算全長,但有些廠家需要提供螺紋長度。螺紋長度中也有兩個部分,一個是螺紋全長,一個是有效行程。前者是指螺紋部分的總長度,后者是指螺母直線移動的理論最大長度,螺紋長度=有效行程+螺母長度+設計裕量(如果需要安裝防護罩,還要考慮防護罩壓縮后的長度,一般按防護罩最大長度的1/8計算)。在設計繪圖時,絲杠的全長大致可以按照一下參數累加:絲杠全長=有效行程+螺母長度+設計余量+兩端支撐長度(軸承寬度+鎖緊螺母寬度+裕量)+動力輸入連接長度(如果使用聯軸器則大致是聯軸器長度的一半+裕量)。特別需要注意的是,如果你的長度超長(大于3米)或長徑比很大(大于70),最好事先咨詢廠家銷售人員可否生產,總體的情況是,國內廠家常規品最大長度3米,特殊品16米,國外廠家常規品6米,特殊品22米。瀘州上銀滾珠絲桿,上銀FSC滾珠絲桿,就選凡一商城。
